Novi artikli
HIDRAVLIČNI PRIKLJUČEK FITING NZ
Šifra:
81755
OEM:
9990000051038
Stopnja davka
22 %
Cena brez DDV:
27,21 EUR
Cena z DDV:
33,20 EUR
Ref:
0

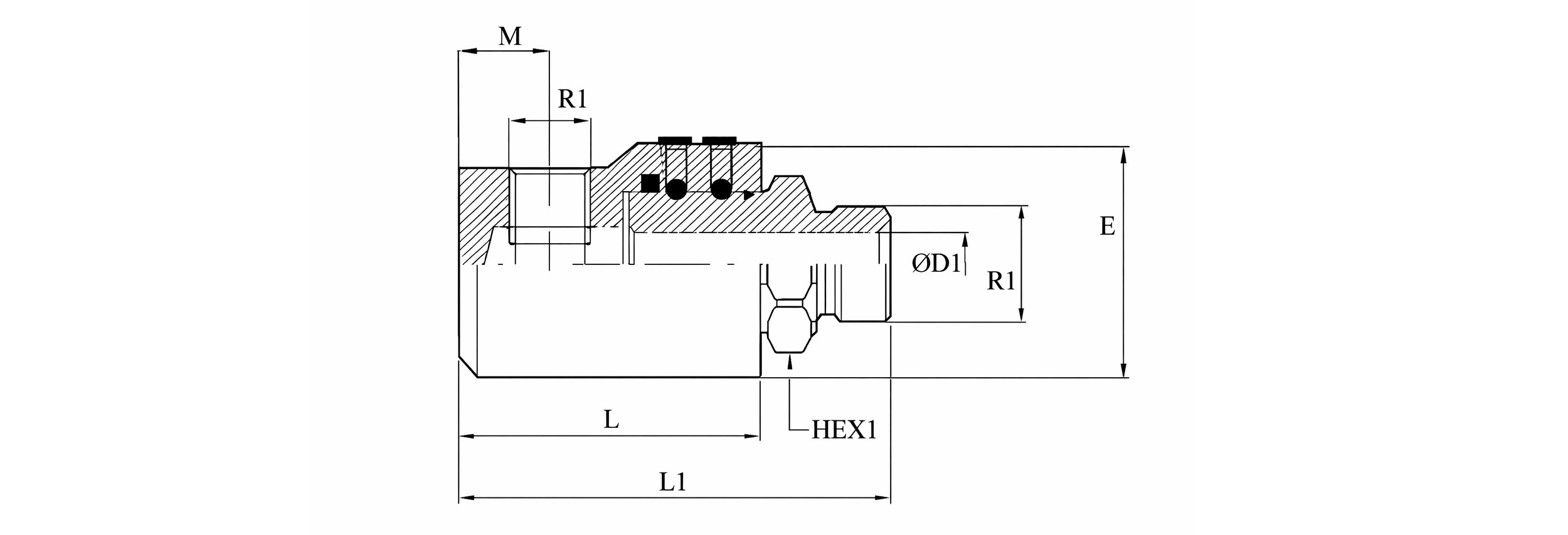
|
|
R1 |
FLOW MAX (l/min) |
(bar) |
Max. rotation pressure |
L |
L1 |
HEX 1 |
ØD |
E |
F |
M |
(Kg) |
|
81755 |
1/4" BSP |
25 |
400 |
200 |
50 |
69 |
19 |
6 |
33,5 |
- |
11 |
0,288 |
|
81756 |
3/8" BSP |
35 |
54 |
76 |
24 |
8,5 |
37,5 |
- |
13 |
0,421 |
||
|
81757 |
1/2" BSP |
60 |
300 |
150 |
63 |
87 |
27 |
11,5 |
39,5 |
- |
14 |
0,498 |
|
83224 |
3/4" BSP |
100 |
70 |
100 |
34 |
15 |
54,5 |
- |
18 |
1,06 |
||
|
83225 |
1" BSP |
180 |
100 |
80 |
113 |
41 |
21 |
55 |
- |
25 |
1,484 |
|
|
83226 |
1"1/4 BSP |
200 |
121 |
- |
50 |
52 |
28 |
63 |
- |
1,731 |
||
|
83227 |
1"1/2 BSP |
250 |
80 |
143 |
- |
55 |
62 |
34 |
77 |
- |
2,891 |
|
|
2" BSP |
300 |
250 |
50 |
151 |
- |
65 |
64 |
44 |
85 |
- |
3,644 |
Izdelano iz Mehkega Jekla
Vračilo ali menjava:
14 dni





