Nowe produkty
MULTIPLIKATOR GR.3 - 1:3 - ZŁĄCZE MĘSKIE (WEJŚCIE) / ZŁĄCZE MĘSKIE (WYJŚCIE)
| Informacje techniczne | |
| Dostawca: | Chiny |
| Zwrot lub wymiana: | 14 dni |
| Gwarancja: | 6 miesięcy |
| Przełożenie: | 1:3 |
| Do pomp hydraulicznych: | GR. 3 |
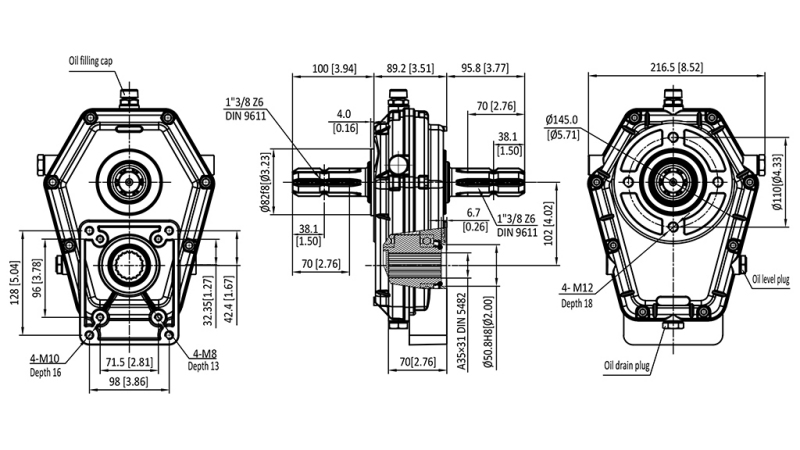
| Połączenie: | Wałek WOM z obu stron - 1" 3/8 – 6-nacięć (męski) |
| Prędkość wejściowa: | 540 obr./min |
| Moment wejściowy: | 49 daNm |
| Prędkość wyjściowa: | 1620 obr./min (maks. 3000 obr./min) |
| Moment wyjściowy: | 16 daNm |
| Obciążenie: | do 20 kW |
| Waga produktu: | 8,3 kg |
| Smarowanie przekładni: | Olej SAE 90 |
WYMIARY

INSTRUKCJA UŻYTKOWANIA
1. Przeznaczenie
Skrzynia biegów to mechaniczna przekładnia, która zwiększa prędkość obrotową wału wyjściowego i umożliwia napęd pompy hydraulicznej zębatej za pomocą wału WOM ciągnika.
Jest używana do napędu:
- zespołów hydraulicznych,
- wyciągarek leśnych,
- rozłupywaczy do drewna,
- innego sprzętu hydraulicznego.
2. Pozycja montażu
Skrzynia biegów musi być zamontowana w prawidłowej pozycji roboczej, aby zapewnić odpowiednie smarowanie kół zębatych. Zaleca się montaż poziomy, tak aby pompa i skrzynia biegów były wyrównane poziomo.
Ważne:
- skrzynia biegów musi być zawsze zamontowana tak, aby olej wewnątrz obudowy miał kontakt z przekładnią zębatą,
- długotrwała praca w pozycji odwróconej jest niedozwolona,
- skrzynia biegów musi być mechanicznie podparta (nie może wisieć wyłącznie na wale WOM).
3. Kierunek obrotów
Przed montażem sprawdź kierunek obrotów wału WOM oraz wymagany kierunek obrotów pompy hydraulicznej.
Zły kierunek obrotów może spowodować uszkodzenie pompy, awarię uszczelki oraz słaby przepływ oleju.
4. Smarowanie olejowe
Skrzynia biegów musi być ciągle smarowana olejem wewnątrz obudowy, aby zapewnić prawidłową pracę kół zębatych. Zalecanym smarem jest olej przekładniowy SAE 90.
Skrzynia biegów musi być napełniona olejem do poziomu kontrolnego.
Przed pierwszym użyciem usuń korek napełniający, napełnij jednostkę olejem do oznaczonego poziomu, a następnie zamknij korek.
Przed każdym użyciem sprawdź poziom oleju. Pierwsza wymiana oleju zalecana jest po 50 godzinach pracy, a następnie co 1500 godzin pracy lub raz w roku.
5. Temperatura pracy
Normalna temperatura pracy obudowy skrzyni biegów wynosi od 50 do 80°C. Jeśli przekroczy 90°C, sprawdź poziom oleju, obciążenie i wyrównanie.
6. Konserwacja i możliwe problemy
| Problem | Możliwa przyczyna | Rozwiązanie |
| Przegrzewanie | Niewystarczający poziom oleju | Sprawdź poziom oleju |
| Hałas | Zużyte łożyska | Serwis |
| Wibracje | Nieprawidłowe wyrównanie | Sprawdź instalację |
| Wycieki oleju | Uszkodzona uszczelka | Wymień uszczelkę |









