Produits nouveaux
VALVE DE FREIN PROPORTIONNELLE HYDRAULIQUE POUR TRACTEUR - SYSTÈME D'HUILE
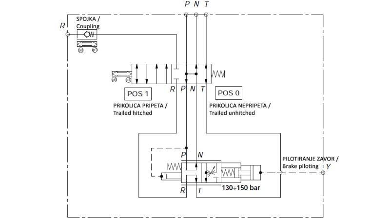
Description:
La vanne de frein proportionnelle hydraulique pour tracteur est un composant à travers lequel nous pouvons freiner synchroniquement la remorque avec le tracteur. La vanne est installée sur le tracteur, qui se connecte aux hydraulique et aux vannes directionnelles ainsi qu'au système de freinage existant. La vanne de frein est contrôlée directement par la pression de freinage du tracteur. Sans pression dans le système hydraulique Y (système de freinage du tracteur), R est connecté à T (réservoir) et P est connecté à N (excès de débit).
À mesure que le débit dans Y augmente, la force de débit active le ressort de retour, qui ferme la connexion entre R et T et établit une connexion entre R et P. Si nécessaire, le débit est réduit entre P et N pour créer une pression dans R.
La vanne de détection de charge (LS) est installée sur R. La pression maximale sur le système de freinage est de 130 - 150 bars.
Dans la première phase de freinage, la vanne peut rediriger tout le débit de la pompe vers les freins de la remorque, de sorte que le consommateur à la connexion N peut être temporairement sans huile.
Remarque sur l'installation:
La vanne proportionnelle est un élément de sécurité qui nécessite une attention maximale lors de l'inspection et de l'entretien de la vanne. Ne pas installer la vanne avant d'autres composants de sécurité (par exemple, direction).
En général, la vanne est installée entre la pompe (avec un débit constant ou une vanne de détection de charge) et la vanne de contrôle, dans laquelle il n'y a pas d'autres composants de sécurité dans ce circuit hydraulique.










