Produse Noi
VALVĂ HIDRAULICĂ PROPORȚIONALĂ PENTRU FRÂNA TRACTORULUI - SISTEM DE ULEI
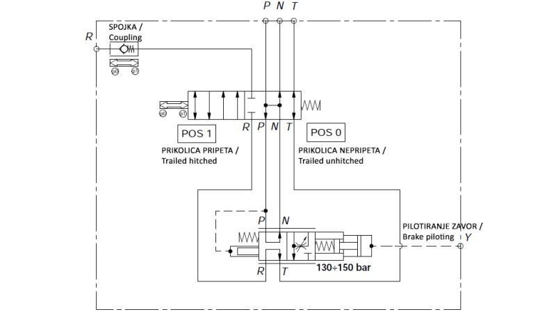
Descriere:
Valva hidraulică proporțională pentru frâna tractorului este un component prin care putem frâna sincronizat remorca cu tractorul. Valva este instalată pe tractor, care se conectează la hidraulica și valvele direcționale și la sistemul de frânare existent. Valva de frână este controlată direct de presiunea de frână a tractorului. Fără presiune în sistemul hidraulic Y (sistemul de frânare al tractorului), R este conectat la T (rezervor) și P este conectat la N (exces de flux).
Pe măsură ce fluxul în Y crește, forța fluxului activează arcul de retur, care închide conexiunea între R și T și stabilește o conexiune între R și P. Dacă este necesar, fluxul este redus între P și N pentru a crea presiune în R.
Valva de Sensing a Sarcinii (LS) este instalată pe R. Presiunea maximă pe sistemul de frânare este de 130 - 150 bar.
În prima fază a frânării, valva poate redirecționa întregul flux de la pompă către frânele remorcii, astfel încât consumatorul de la conexiunea N poate fi temporar fără ulei.
Notă privind instalarea:
Valva proporțională este un element de siguranță care necesită o atenție maximă în timpul inspecției și întreținerii valvei. Nu instalați valva înainte de alte componente de siguranță (de exemplu, direcția).
De obicei, valva este instalată între pompă (cu flux constant sau valvă de Sensing a Sarcinii) și valva de control, în care nu există alte componente de siguranță în acest circuit hidraulic.










