Nya produkter
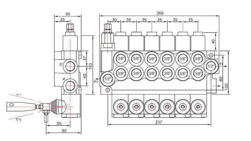
HYDRAULIKVENTIL 6XP40
Allmän beskrivning:
Manuell eller mekanisk hydraulikventil Р40 är avsedd för distribution och kontroll av arbetsflödet mellan hydraulikpumpen och konsumenterna (cylindrar, hydrauliska motorer…).
Hydraulikventiler används för olika ändamål inom jordbruk, industri, byggnation etc. för att styra:
- enkeltverkande cylindrar
- dubbelverkande cylindrar
- hydrauliska motorer
- flytande funktioner (för plog)
- joysticks (upp-ned, vänster-höger)
De är monterade i en block från 1 till 7 spakar.
Drift:
Alla hydraulikventiler är utrustade med en säkerhetsventil. I neutralposition (spak i mitten) cirkulerar oljan genom ventilen. När spaken flyttas åt ena eller andra sidan, orsakar hydraulikventilen rörelsen av cylindern eller rotationen av den hydrauliska motorn i ena eller andra riktningen. Efter att spaken släppts återgår den automatiskt till neutralposition, den hydrauliska motorn eller cylindern stannar i den aktuella positionen, och oljan cirkulerar återigen genom ventilen. Det är möjligt att använda ett så kallat 'stängt centrum'-element, som ändrar ventilen så att oljan inte cirkulerar genom ventilen i neutralposition eller så att en sådan ventil inte längre flödar. Vid användning eller anslutning av andra ventiler är det nödvändigt att använda 'carry over'-elementet, som tillåter oljeförsörjning för andra ventiler.
I ventiler med spindlar för flytande funktion tillåter det cylindern fri flöde av olja, vilket i sin tur innebär att cylindern rör sig fritt (eller snöplogen anpassar sig till terrängen).
Ventiler med spindlar för enkeltverkande cylindrar är avsedda för enkeltverkande cylindrar.
Konstruktion:
Р40 är en monoblock distributionsventil. Den är tillverkad av gjutjärn EN-GJL300. Spindlarna är tillverkade av kolstål och är hård kromade.
Anslutningar:
Spindeln är skruvad med två M8 skruvar.








