Produse Noi
VANĂ PRIORITARĂ 1/2 CU SCALĂ ȘI VANĂ DE SIGURANȚĂ 0-60LIT, 0-200BAR
Cod produs:
13098
OEM:
9990000087501
Rata impozitului
22 %
Preț fără TVA:
534,77 RON
Preț cu TVA:
652,42 RON
Ref:
17
Descriere:
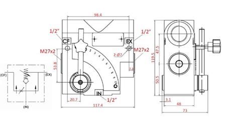
Vana prioritară cu scală și vană de siguranță este utilizată pentru reglarea fluxului cu compensare de presiune, unde fluxul se schimbă în funcție de poziția levierului. Vana este montată pe o suprafață plană.
Conexiune CF (Flux controlat) - Fluxul provenit din conexiunea CF este compensat de presiune și este proporțional cu poziția levierului. Fluxul din CF poate fi ajustat după cum este dorit.
Conexiune EX (Flux excesiv) - Fluxul provenit din conexiunea EX este compensat. Dacă levierul este setat pe 0, întregul flux va ieși prin conexiunea EX. Conexiunea EX trebuie să fie direcționată către rezervor.
Furnizor:
Spania
Returnare sau schimbare:
14 zile
greutatea produsului:
3.80 kg
Garanție:
6 luni
presiunea maximă ajustabilă:
0-200 bar
flux maxim ajustabil:
0 - 60 l/min
Max. flux:
60 l/min
max. presiune:
200 bar









