Produse Noi
VANĂ HIDRAULICĂ DE DISTRIBUȚIE FLUX V1026 DFL 40-60 LIT - 3/8 - 250 BAR (MAX.300 BAR) METAL
Cod produs:
13691
OEM:
9990000102259
Rata impozitului
22 %
Preț fără TVA:
467,26 RON
Preț cu TVA:
570,05 RON
Ref:
11
Descriere:
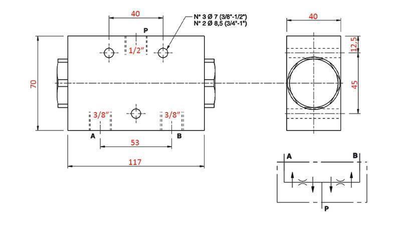
Vana de distribuție hidraulică este utilizată atunci când două actuatoare identice (care nu sunt conectate mecanic și sunt alimentate de aceeași pompă și controlate de o singură vană) trebuie să se miște simultan (extindere, lărgire, desfășurare, compresie, ridicare ...).
Conectați P la presiune, A și B la actuatoare.
Furnizor:
Italia
presiunea maximă de lucru:
250 bar
Returnare sau schimbare:
14 zile
greutatea produsului:
1.95 kg
Garanție:
6 luni
Filete:
P = 1/2" A,B = 3/8"
debit supapă:
40 - 60 litri
max. presiune:
300 bar



%20KOVINSKI.jpg)
%20KOVINSKI.jpg)
%20KOVINSKI.jpg)


