Produse Noi
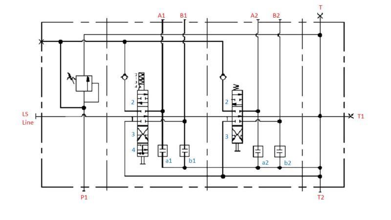
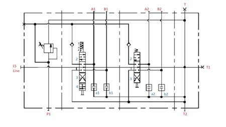
VANĂ HIDRAULICĂ DE CONTROL 2XP90 L/MIN CU SENSIBILITATE LA ÎNCĂRCĂTURĂ
Cod produs:
13989
OEM:
9990000154968
Rata impozitului
22 %
Preț fără TVA:
1.805,31 RON
Preț cu TVA:
2.202,48 RON
Ref:
11
Descriere:
Vana hidraulică de control cu funcție de sensibilitate la încărcătură este utilizată pentru controlul unui încărcător frontal. Are două secțiuni care permit controlul cilindrilor hidraulici bidirecționali. Vana de control este conectată la o manetă - sensibilitate la încărcătură.
Furnizor:
Spania
presiunea maximă de lucru:
250 bar
Returnare sau schimbare:
14 zile
greutatea produsului:
13.50 kg
flux nominal:
90 l/min
Garanție:
6 luni
presiune de retur:
max. 10 bar







