Produse Noi
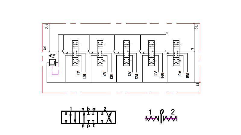
SUPAPĂ HIDRAULICĂ MONOBLOC 5xZ50 + 2x JOYSTICK
Descriere generală:
Vana hidraulică manuală sau mecanică Р40 este concepută pentru distribuția și controlul fluxului de lucru între pompa hidraulică și consumatori (cilindri, motoare hidraulice…).
Vanele hidraulice sunt utilizate pentru diverse scopuri în agricultură, industrie, construcții etc. pentru controlul:
- cilindri cu acțiune simplă
- cilindri cu acțiune dublă
- motoare hidraulice
- funcții flotante (pentru plug)
- joysticks (sus-jos, stânga-dreapta)
Acestea sunt asamblate într-un bloc de 1 până la 7 manete.
Funcționare:
Toate vanele hidraulice sunt echipate cu o vană de siguranță. În poziția neutră (maneta în mijloc), uleiul circulă prin vană. Când maneta este mutată într-o parte sau alta, vana hidraulică determină mișcarea cilindrului sau rotația motorului hidraulic într-o direcție sau alta. După eliberarea manetei, aceasta revine automat în poziția neutră, motorul hidraulic sau cilindrul se oprește în poziția curentă, iar uleiul circulă din nou prin vană. Este posibil să se utilizeze un element denumit 'centru închis', care schimbă vana astfel încât în poziția neutră, uleiul să nu circule prin vană sau o astfel de vană să nu mai fie curentă. Atunci când se utilizează sau se conectează alte vani, este necesar să se folosească elementul 'carry over', care permite alimentarea cu ulei pentru alte vani de asemenea.
Pentru vanele cu axuri pentru funcția flotantă, aceasta permite cilindrului un flux liber de ulei, ceea ce înseamnă că cilindrul se mișcă liber (sau plugul de zăpadă se adaptează la teren).
Vanele cu axuri pentru cilindri cu acțiune simplă sunt destinate cilindrilor cu acțiune simplă.
Construcție:
Р40 este o vană de distribuție monobloc. Este fabricată din fontă EN-GJL300. Axurile sunt fabricate din oțel carbon și sunt placate cu crom dur.
Conexiuni:
Axul este prins cu două șuruburi M8.











