Produse Noi
MANUAL SUPAPĂ HIDRAULICĂ MONOBLOC 1xZ50 + SINGURĂ ACȚIUNE C1
Descriere generală:
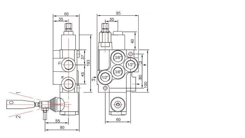
Vana hidraulică manuală sau mecanică Р40 este concepută pentru distribuția și controlul fluxului de lucru între pompa hidraulică și consumatori (cilindri, motoare hidraulice…).
Vanele hidraulice sunt utilizate pentru diverse scopuri în agricultură, industrie, construcții etc. pentru controlul:
- cilindri cu un singur sens
- cilindri cu două sensuri
- motoare hidraulice
- funcții flotante (pentru plug)
- joysticks (sus-jos, stânga-dreapta)
Acestea sunt asamblate într-un bloc de la 1 la 7 manete.
Funcționare:
Toate vanele hidraulice sunt echipate cu o vană de siguranță. În poziția neutră (maneta în mijloc), uleiul circulă prin vană. Când maneta este mutată într-o parte sau alta, vana hidraulică determină mișcarea cilindrului sau rotația motorului hidraulic într-o direcție sau alta. După eliberarea manetei, aceasta revine automat în poziția neutră, motorul hidraulic sau cilindrul se oprește în poziția curentă, iar uleiul circulă din nou prin vană. Utilizarea unui element denumit 'centru închis' este posibilă, care modifică vana astfel încât în poziția neutră, uleiul să nu circule prin vană sau o astfel de vană să nu mai fie curgătoare. Atunci când se utilizează sau se conectează alte vani, este necesar să se folosească elementul 'carry over', care permite alimentarea cu ulei pentru alte vani.
În vanele cu spindelă pentru funcția flotantă, aceasta permite cilindrului un flux liber de ulei, ceea ce înseamnă că cilindrul se mișcă liber (sau plugul de zăpadă se adaptează la teren).
Vanele cu spindelă pentru cilindru cu un singur sens sunt destinate cilindrului cu un singur sens.
Construcție:
Р40 este o vană de distribuție monobloc. Este fabricată din fontă EN-GJL300. Spindele sunt fabricate din oțel carbon și sunt placate cu crom dur.
Conexiuni:
Spindela este prinsă cu două șuruburi M8.







