Produse Noi
VANĂ DE BLOCARE VBPDE 3/8 - 35LIT
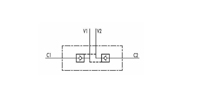
Vană de Blocare:
Serveste pentru siguranță (în caz de deteriorare a furtunului hidraulic, cilindrul rămâne în aceeași poziție). Vană de blocare asigură, de asemenea, că furtunurile nu sunt sub presiune, astfel încât forțele diferite asupra cilindrului să nu suprasolicite vana hidraulică sau sistemul hidraulic.
Utilizare:
Vanele de blocare sunt utilizate pentru a bloca cilindrul în ambele direcții de operare. Fluxul este mai întâi eliberat într-o direcție și blocat în cealaltă direcție până când se aplică presiunea de control în cealaltă direcție. Funcția funcționează invers și în cealaltă direcție. Vanele de blocare sunt ușor de montat pe cilindrii hidraulici existenți.
Material:
Fier - galvanizat
Interiorul vanei este realizat din piese din metal dur
Etanșări BUNA N standard
Conexiune:
Conectați linia de presiune hidraulică la V1 și V1. Conectați C1 și C2 la actuator (cilindru hidraulic).








