Produse Noi
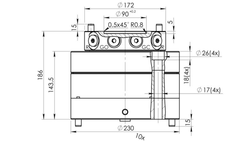
ROTATOR HIDRAULIC CPR5-01 10000/5000 KG
Descriere:
'ROTATOR HIDRAULIC CPR5-01 10000/5000 KG'
Rotatorul hidraulic pentru gripuri forestiere este un component cheie utilizat pentru a îmbunătăți eficiența și flexibilitatea în manipularea sarcinilor grele, cum ar fi buștenii, crengile și alte materiale. Acest rotator este de obicei proiectat pentru a se atașa la capătul unui braț telescopic sau la partea superioară a gripului, permițând rotație independentă și manipulare și poziționare precisă a sarcinilor.
Funcționare hidraulică: Rotatorul este alimentat de hidraulică, permițând rotația ușoară și controlată a gripului. Sistemul hidraulic permite controlul precis asupra vitezei și direcției de rotație.
Rotație nelimitată: Una dintre caracteristicile principale ale rotatorului pentru gripuri este rotația sa completă de 360 de grade. Aceasta înseamnă că poate rota în orice direcție, facilitând ridicarea, poziționarea și descărcarea materialelor în diverse poziții.
Capacitate mare de încărcare statică și dinamică: Rotatoarele sunt proiectate pentru a manipula sarcini grele, cum ar fi bușteni mari sau mai mulți bușteni deodată.
Construcție robustă: Având în vedere condițiile de operare solicitante ale echipamentelor forestiere, designul rotatorului este foarte robust pentru o durată maximă de viață.
Scop: Rotatorul hidraulic pentru gripuri este un component cheie al echipamentelor forestiere moderne care îmbunătățește eficiența, siguranța și flexibilitatea în recoltarea și manipularea lemnului. Atunci când selectați un rotator hidraulic, este important să luați în considerare nevoile specifice ale operațiunii și să asigurați compatibilitatea cu echipamentele existente.









