Produse Noi
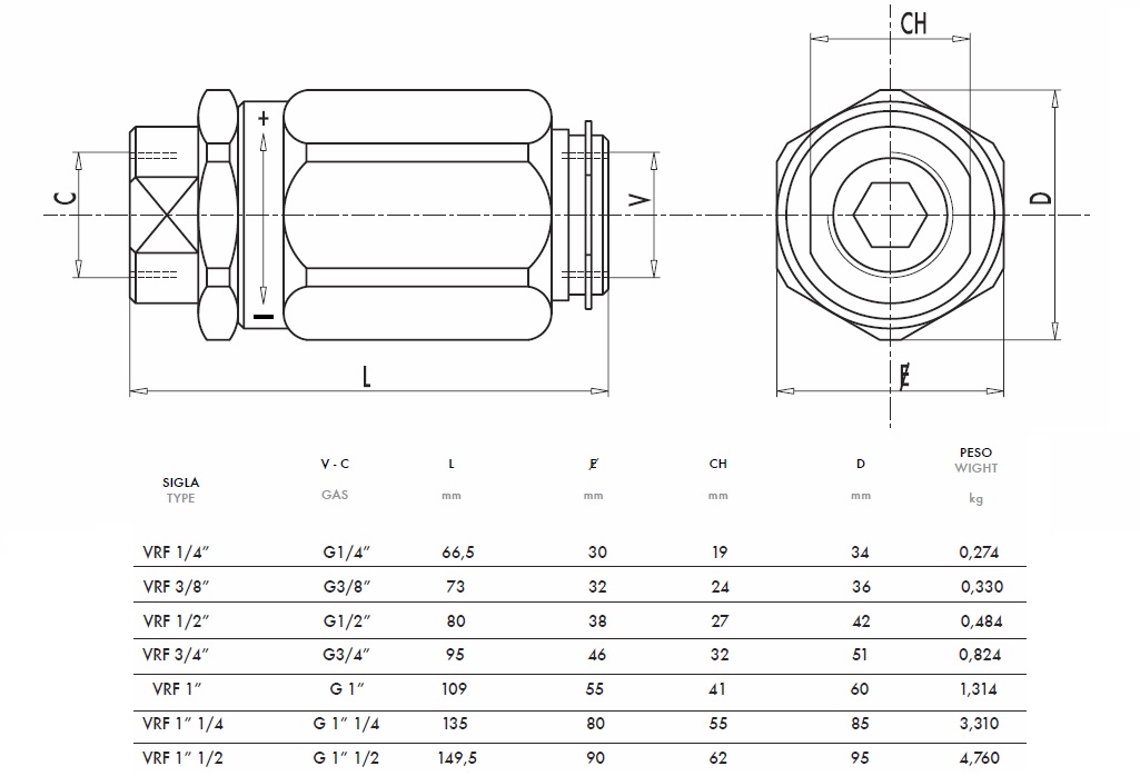
REGULATOR DE FLUX PENTRU FURTUN VRF - VALVĂ DE DAMPING NON-RETURN 1/2 UNIDIRECȚIONAL - 70lit
Utilizare:
Vana acționează ca un regulator de flux într-o direcție, permițând în același timp fluxul liber de ulei hidraulic în direcția inversă. Deoarece vana nu compensează presiunea în fluxul liber, fluxul depinde în mare măsură de presiunea și vâscozitatea uleiului.
Material:
Carcasă: metal, galvanizat
Etanșare: standard BUNA N
Închidere: tip bilă
Conexiune:
Conectați V la partea de presiune și C la partea actuatorului (consumator). Fluxul este astfel reglat din direcția C înapoi la V și liber în direcția inversă. Când utilizați vana cu un actuator care are deja o vană de blocare, vana trebuie conectată între actuator și vana de blocare. Fluxul este reglat prin rotirea vanei; în sensul acelor de ceasornic pentru un flux mai mare și în sens invers pentru un flux mai mic. Odată ce fluxul dorit este setat, strângeți piulița pentru a preveni devierea valorii dorite din cauza vibrațiilor posibile.








