Produse Noi
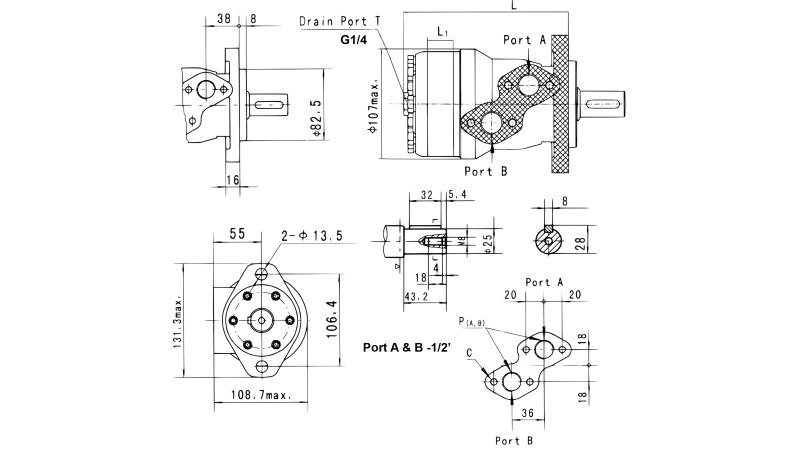
MOTOR HIDRAULIC MR 25 ECO (ALSG2-L-25)
| Date tehnice | |
| Furnizor: | China |
| Returnare sau schimb: | 14 zile |
| Garanție: | 6 luni |
| Diametrul arborelui: | 25 mm |
| Debit de ulei: | debit constant 40 L/min, intermitent 45 L/min |
| Filet de conexiune: | 1/2" |
| Interval de temperatură: | de la -40 °C la 140 °C |
| Cuplu: | cuplu constant 3,3 daNm, intermitent 4,2 daNm |
| Turații: | turații constante 1463 rpm, intermitent 1555 rpm |
| Pierdere de presiune: | presiune constantă 100 bar, intermitent 140 bar |
| Putere: | putere constantă 8,5 kW, intermitent 9,8 kW |
| cm³/turație: | 25,2 |
| Greutate: | 6,3 kg |
DESCRIERE – MOTOARE HIDRAULICE MR ECO
Motoarele hidraulice de tip MR sunt compacte, robuste și fiabile, cu un design orbital. Datorită construcției lor simple și eficienței ridicate, sunt potrivite pentru o gamă largă de aplicații.
Versiunea ECO menține calitatea și fiabilitatea standard, fiind în același timp mai accesibilă, deoarece producători de încredere o fabrică fără adaosul de marcă.
Se caracterizează prin:
- cilindree mare la turații reduse,
- funcționare lină și silențioasă,
- durată de viață lungă datorită materialelor și garniturilor de înaltă calitate,
- posibilitatea de funcționare în ambele sensuri de rotație,
- consum redus de ulei raportat la puterea de ieșire,
- versiunea ECO: aceeași calitate și performanță la un preț mai mic.
Motoarele hidraulice MR sunt utilizate în principal în utilaje agricole, forestiere și de construcții, precum și în industrie, unde este necesară o conversie fiabilă și eficientă a energiei hidraulice în mișcare mecanică – cu un accent și mai mare pe utilizarea durabilă a energiei.

|
L |
L1 |
|
|
(mm) |
(mm) |
|
|
MR 50 ECO |
140 |
10 |
|
MR 80 ECO |
146 |
16 |
|
MR 100 ECO |
150 |
20 |
|
MR 125 ECO |
155 |
25 |
|
MR 160 ECO |
161,5 |
30,5 |
|
MR 200 ECO |
170 |
38,1 |
|
MR 250 ECO |
180 |
50 |
|
MR 315 ECO |
192 |
62 |
|
MR 400 ECO |
204 |
74 |


-1.png)







