Produse Noi
DRIVE PENTRU POMPA HIDRAULICĂ - ISUZU HINO MECANIC
Cod produs:
12893
OEM:
9990000081264
Rata impozitului
22 %
Preț fără TVA:
1.301,35 RON
Preț cu TVA:
1.587,65 RON
Ref:
1
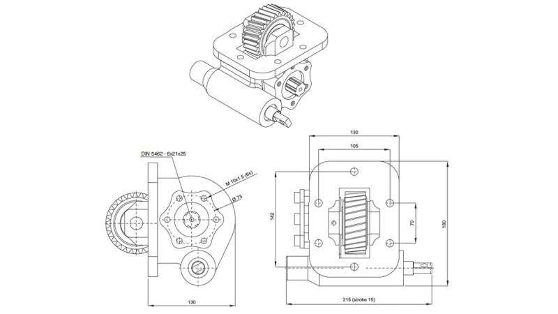
Descriere:
Acționările sunt potrivite pentru camioane unde există nevoie de instalare a unei pompe hidraulice. Este posibilă instalarea unei pompe din fontă de tip:
ISO (pompa pentru atașare cu trei (3) șuruburi)
UNI (pompa pentru atașare cu patru (4) șuruburi)
Potrivit pentru cutii de viteze de tip:
33111-2065 / 08 V 0484 / 07 L 108 / LE 05 S / LH 06 S
Potrivit pentru vehicule: Isuzu
HINO L 100 / FB 112 SA 11 YO563
Furnizor:
Turcia
Type:
ISO (3 șuruburi)
Returnare sau schimbare:
14 zile
cuplu:
182.4 Nm
control:
mecanic
Revoluții:
600 rpm
greutatea produsului:
11 kg
Garanție:
6 luni
montare:
stânga
Load:
15.4 Cp (11.5 kW)
raport de transmisie:
1:1.28






