Produse Noi
CARCASĂ PENTRU FILTRU DE SUCȚIE 3/4
Cod produs:
10625
OEM:
9990000005482
Rata impozitului
22 %
Preț fără TVA:
50,13 RON
Preț cu TVA:
61,16 RON
Ref:
133
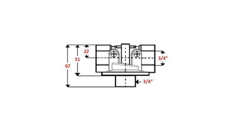
Carcasă (cap) pentru filtrul de sucție hidraulic 3/4'.
Furnizor:
Spania
Presiune maximă:
10 bar
Interval de temperatură:
până la 80°C
Returnare sau schimbare:
14 zile
Presiune de testare:
15 bar
greutatea produsului:
0.4 kg
presiune de explozie:
20 bar
Garanție:
6 luni
Filete:
3/4"
Material:
Aliaj de aluminiu










