Nye artikler
HYDRAULISK VENTIL P81-RS AUTOMATISK FOR SPLITTER - TO-HASTIGHETER
Kode:
10707
OEM:
9990000006281
Skattesats
22 %
Pris uten MVA:
911,19 NOK
Pris med MVA:
1.111,65 NOK
Ref:
165
| Teknisk informasjon | |
| Leverandør: | Bulgaria |
| Retur eller bytte: | 14 dager |
| Garanti: | 6 måneder |
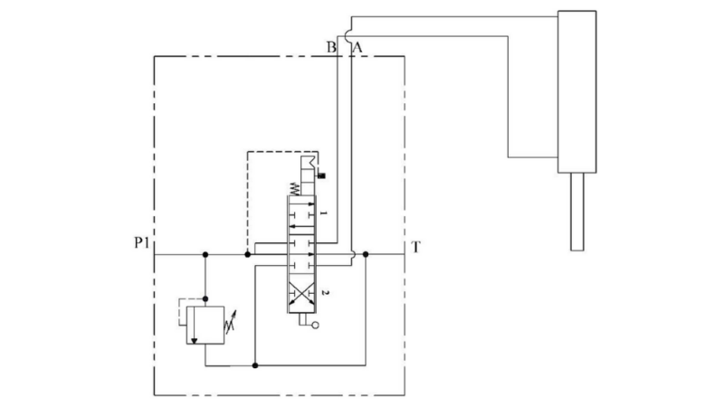
| Nominell oljestrøm: | 80 l/min |
| Spindelslag: | ± 7,9 mm |
| Driftstemperaturområde: | fra −40 °C til +60 °C |
| Tilslutningstråd: | P og T-port – 3/4", A og B-port – 1/2" |
| Maks. trykk: | P-port – 250 bar, T-port - 50 bar, A og B-port – 300 bar |
| Sikkerhetsovertrykksventil: | fabrikkinnstilt til 150 bar |
Beskrivelse
P81-RS er en kompakt og robust to-hastighets hydraulisk ventil designet for vedklyvere. Den tillater en gjennomstrømningshastighet på opptil 80 l/min og er utstyrt med en sikkerhetstrykkavlastningsventil.
Ventilen har en automatisk trykkavlastningsfunksjon. Når det innstilte trykket er nådd (fabrikkinnstilling er 150 bar), returnerer den automatisk spaken til nøytralposisjon.













