Nye artikler
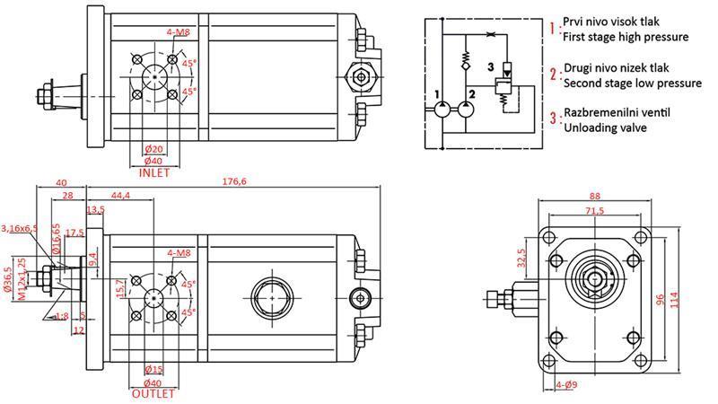
HYDRAULISK PUMPE GR.2 HI-LO 22C3,5/11X815R
Kode:
13676
OEM:
9990000100378
Skattesats
22 %
Pris uten MVA:
3.045,37 NOK
Pris med MVA:
3.715,35 NOK
Ref:
2
Beskrivelse:
Den Hi-Low hydrauliske pumpen (High-Low, HL) brukes i systemer der høy og lavt trykk er nødvendig for drift. Dette betyr at de er ideelle for applikasjoner der langsom bevegelse er nødvendig under tunge laster og raskere bevegelse under lav last. Sikkerhetsventilen åpner ved 65 bar.
Leverandør:
Bulgaria
Retur eller bytte:
ikke mulig
cm/omdreininger:
foran: 3.5cm3, bak: 11cm3
Produktvekt:
5.60 kg
Garanti:
6 måneder
maks. omdreininger:
3000 rpm
max. trykk:
foran: 250 bar, bak: 70 bar










