Neue Artikel
VERSCHIEBERAHMEN VENTIL FÜR HACKGERÄT 1xZ80 A7 ZS17G
Artikel Nummer
13812
OEM:
9990000149568
Steuersatz
22 %
Preis exklusive Mehrwertsteuer:
102,46 EUR
Preis inklusive Mehrwertsteuer:
125,00 EUR
Ref:
8
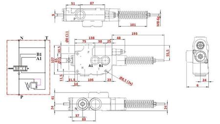
Beschreibung:
Ein spezielles Hydraulikventil ist speziell für den Spitzenhacken konzipiert. Das Ventil steuert den Ölfluss bei der Bodenbearbeitung. Mehr dazu im Video unten.
Video:
Lieferant:
Bulgarien
Maximale ''T'' Druck Anschluss:
50 Bar
Rückerstattung oder Umtausch:
14 Tage
Produkt gewicht:
3,80 kg
Nenndurchfluss:
80 lit/min
Garantie:
6 Monate
Gewinde:
P,A,B = 1/2"; T,N = 3/4"
Maximale ''P'' Druck Anschluss:
250 Bar
Max. ''A'' und ''B'' Druckanschluss:
300 Bar







