New Products
HYDRAULIC VALVE 3XP120
General description:
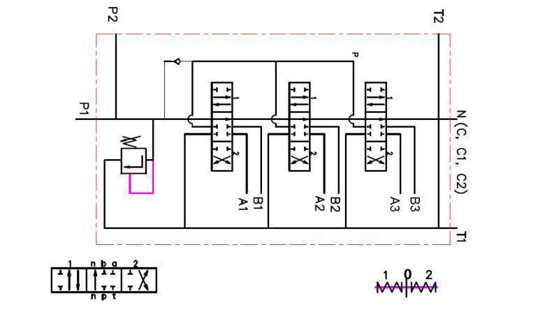
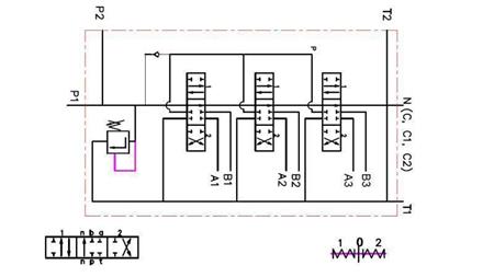
Manual or mechanical hydraulic valve Р120 is designed for the distribution and control of the working flow between the hydraulic pump and consumers (cylinders, hydraulic motors…).
Hydraulic valves are used for various purposes in agriculture, industry, construction, etc. for controlling:
- single-acting cylinders
- double-acting cylinders
- hydraulic motors
- floating functions (for plow)
- joysticks (up-down, left-right)
They are assembled in a block of 1 to 4 levers.
Operation:
All hydraulic valves are equipped with a safety valve. In the neutral position (lever in the middle), oil circulates through the valve. When the lever is shifted to one side or the other, the hydraulic valve causes the movement of the cylinder or the rotation of the hydraulic motor in one direction or the other. After releasing the lever, it automatically returns to the neutral position, the hydraulic motor or cylinder stops in the current position, and oil circulates again through the valve. It is possible to use a so-called 'closed center' element, which changes the valve so that in the neutral position, oil does not circulate through the valve or such a valve is no longer flowing. When using or connecting other valves, it is necessary to use the 'carry over' element, which allows the supply of oil for other valves.
For valves with spindles for floating function, it allows the cylinder free flow of oil, which consequently means that the cylinder moves freely (or the snow plow adapts to the terrain).
Valves with spindles for single-acting cylinders are intended for single-acting cylinders.
Construction:
Р120 is a monoblock distribution valve. It is made of cast iron EN-GJL300. The spindles are made of carbon steel and are hard chrome plated.
Connections:
Connections: The spindle is screwed with four M10 screws







