Új termékek
HIDRAULIKUS SZELEP P81 AUTÓMATIKUS HASÍTÓ
| Műszaki információk | |
| Szállító: | Bulgária |
| Visszaküldés vagy csere: | 14 nap |
| Jótállás: | 6 hónap |
| Névleges olajáramlás: | 80 l/perc |
| Tengelyütés: | ± 7,9 mm |
| Működési hőmérséklet-tartomány: | −40 °C-tól +60 °C-ig |
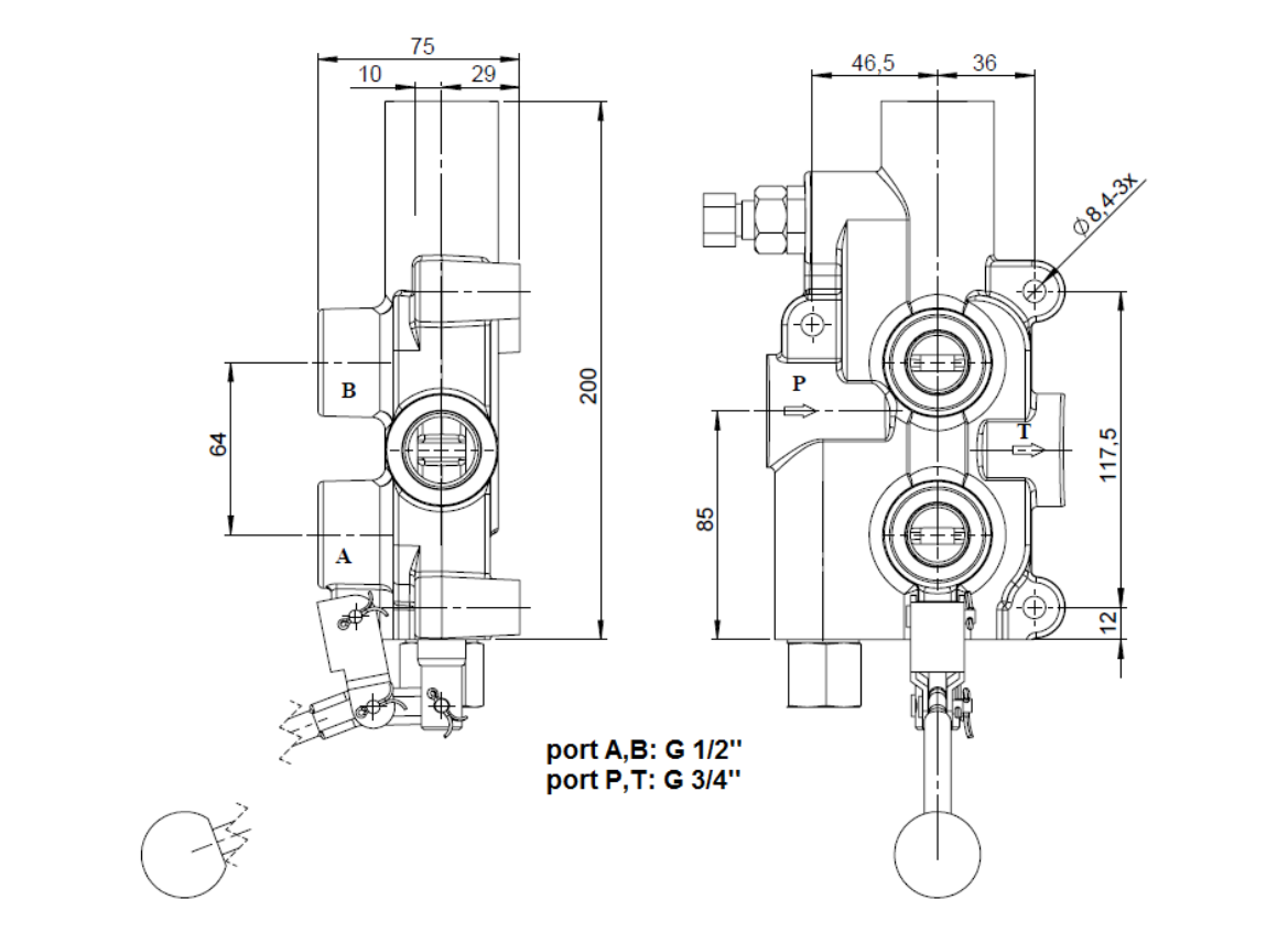
| Csatlakozó menetek: | P és T port – 3/4", A és B port – 1/2" |
| Max. nyomás: | P port – 250 bar, T port - 50 bar, A és B port – 300 bar |
| Biztonsági túlnyomás-szelep: | gyári beállítás 150 bar |
Leírás
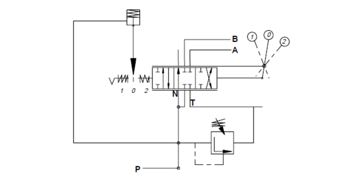
A P81 hidraulikus szelep rönkhasítókhoz készült. Egy irányban rugós visszatéréssel működik, míg az ellenkező irányban nyomáskioldó rendszerrel rendelkezik, amely automatikusan visszaállítja a kart semleges helyzetbe. A P81 szelep manuálisan állítható biztonsági túlnyomás-szeleppel is fel van szerelve.
Nyomáskioldó tüske
A nyomáskioldó rendszer lehetővé teszi a kar elengedését és semleges helyzetbe történő visszatérését. Amikor az orsót kézzel a nyomáskioldó helyzetbe mozgatják, az olaj a „B” szekcióba kerül. Ha a „B” szekció nyomása meghaladja a beállított értéket, a nyomáskioldó tüske elengedi a vezérlőkart, és visszaállítja semleges helyzetbe. A kioldó funkció gyári beállítása 70 bar.
FIGYELEM: Ha a nyomáskioldó tüskét túl magas nyomásra állítják, a kar nem tér vissza semleges helyzetbe. Ha a nyomás túl alacsonyra van állítva, a nyomáskioldó tüske nem tartja a kart a kioldásra kész helyzetben.
Állítható nyomáscsökkentő szelep – a nyomáscsökkentő szelep szabványos gyári beállítása 150 bar.
A szelep karja a gép beépítési helyzetétől függően „fel” vagy „le” irányba is állítható, egyszerűen 180°-kal elforgatva. Minden tüske biztonságosan rögzítve van DIN 94 biztosítótüskével.












