Produits nouveaux
DISTRIBUTEUR HYDRAULIQUE A DETECTION DE CHARGE (LOAD SENSING ) DLM-122/2 2XZ80 L/MIN AVEC FONCTION FLOTTANTE
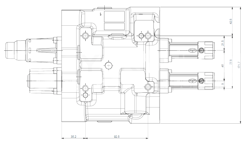
CONNEXIONS :
Connexion d'alimentation : | 3/4'' |
Connexion de retour : | 3/4'' |
Connexions sectionnelles : | 1/2'' |
Connexion LS : | 1/4'' |
Filetage interne du tuyau : | M16x1.5 |
Filetage interne de la pointe du curseur : | M6x1.5 |
HUILE :
Température ambiante autorisée : | de -40°C à 60°C |
Température d'huile autorisée : | de -15°C à 80°C |
Huile recommandée : | Huile hydraulique à base d'huile minérale (HL 32 ou HL 46) |
Description :
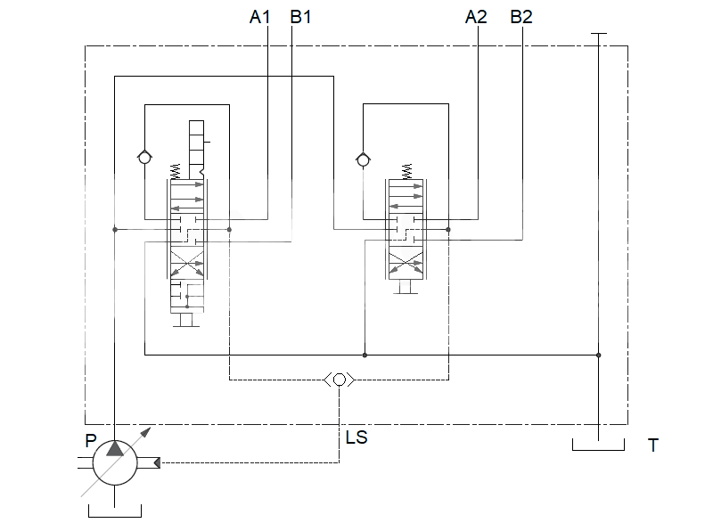
VANNE DE CONTRÔLE HYDRAULIQUE DLM-122/2 2xP80 L/min SENSIBILITÉ DE CHARGE AVEC FONCTION FLOTTANTE
La vanne de contrôle hydraulique avec fonction de détection de charge est utilisée pour contrôler un chargeur frontal. Elle a deux sections qui permettent le contrôle de vérins hydrauliques bidirectionnels. La vanne de contrôle est connectée à une fonction joystick - détection de charge.













