Produits nouveaux
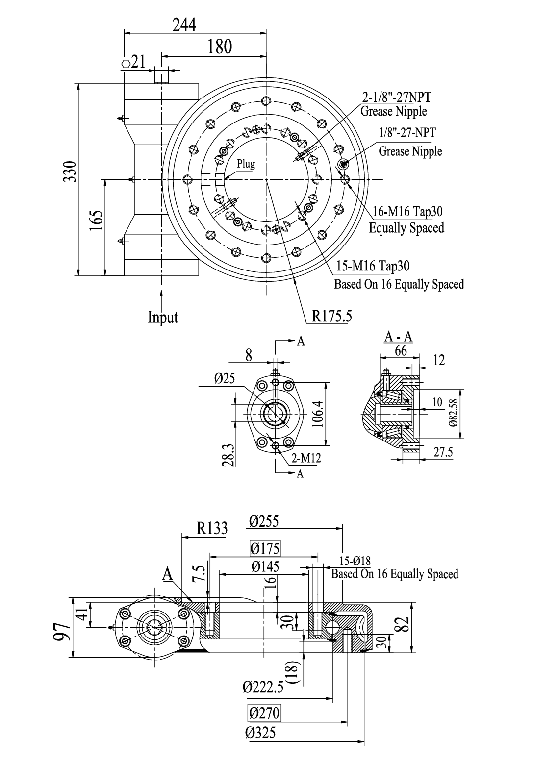
REDUCTEUR ROTATIF A VIS SANS FIN SERIE WE HP WE9-62-25H-R


Description :
L'entraînement rotatif est une unité prête à être installée qui comprend un anneau rotatif à billes ou à rouleaux pour gérer simultanément des moments axiaux, radiaux ainsi que des moments d'inclinaison, un produit de moteur hydraulique avec un boîtier fermé. Pendant le fonctionnement, l'entraînement convertit le mouvement axial (force agissant sur l'arbre) en couple radial/rotatif, permettant la rotation de charges plus importantes avec une plus grande précision, tout en permettant également l'amplification du couple avec un réducteur.
L'entraînement rotatif à vis sans fin est adapté aux équipements rotatifs à couple élevé avec mouvement continu ou cyclique, capable de supporter des charges combinées. L'entraînement rotatif peut être utilisé pour la machine principale qui effectue un mouvement circulaire, comme une table tournante de grue, des machines rotatives, des rotateurs de chariot élévateur et certaines machines qui effectuent un travail circulaire.








