Nye produkter
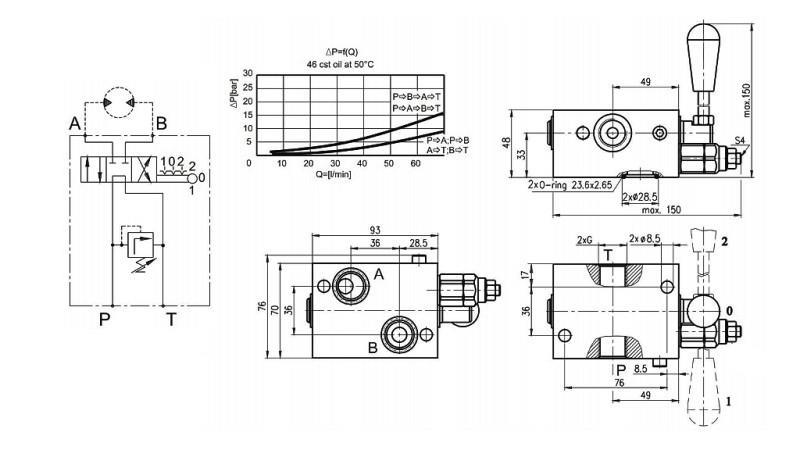
MANUAL VALVE FOR HYDRAULIC MOTOR MP-MR-MH CLOSE CENTER - 50LIT
Opis:
Manuel ventil er monteret direkte på den hydrauliske motor og bruges til at kontrollere den direkte på den hydrauliske motor.
Ventilgrebet muliggør aktivering og deaktivering samt ændring af rotationsretning for den hydrauliske motor.
Ventil 'OPEN CENTER'- I neutralpositionen roterer den hydrauliske motor ikke. Ellers er den ikke hydraulisk drevet, men akslen på den hydrauliske motor kan rotere med sin egen inerti eller lasten.
Det bruges oftest i applikationer, hvor vi ønsker, at drivkraften stopper med lasten eller har mulighed for selvrotation af drivkraften - hydraulisk motor.
Ventil 'CLOSE CENTER'- I neutralpositionen roterer den hydrauliske motor, hvilket betyder, at lasten ikke kan rotere den.
Det bruges oftest i applikationer, hvor vi ønsker, at drivkraften stopper straks og forbliver stille, efter at drivkraften - hydraulisk motor er slukket.







