Nye produkter
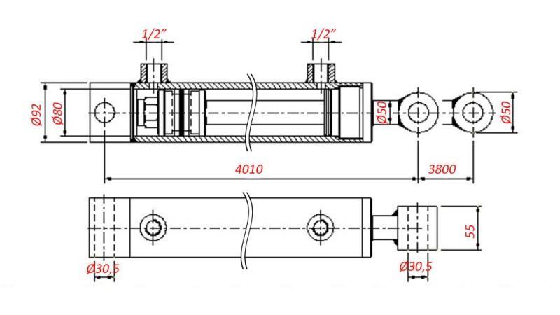
HYDRAULIKCYLINDER TIL AUTOHJÆLP - HOLE 80/50-3800
BEMÆRK: STØRRE VARE (mulig ændring i fragtomkostninger, i så fald vil vi informere dig pr. telefon)
Produktkode:
100781
OEM:
9990000091546
Moms sats
22 %
Pris uden moms:
5.071,70 DKK
Pris med moms:
6.187,48 DKK
Ref:
11
Beskrivelse:
Hydraulikcylinder til bugseringsbil, beregnet til at flytte hele platformen eller trailerplatforme og lignende systemer.
Leverandør:
Italien
cylinder sammentrækningskraft (ved 250 bar):
7,65 tons
Returnering eller ombytning:
14 dage
cylinder forlængelseskraft (ved 250 bar):
12,56 tons
Produktvægt:
115 kg
Garanti:
2 år
maksimal hastighed:
0,5 m/s
cylinder forlængelseskraft (ved 180 bar):
9,04 tons
cylinder sammentrækningskraft (ved 180 bar):
5,51 tons
max. tryk:
250 bar









