Nye produkter
MULTIPLIKATOR GR.2 - 1:3,8 - HAN-TILSLUTNING
| Teknisk information | |
| Leverandør: | Kina |
| Returnering eller ombytning: | 14 dage |
| Garanti: | 6 måneder |
| Gearforhold: | 1:3,8 |
| Til hydrauliske pumper: | GR. 2 |
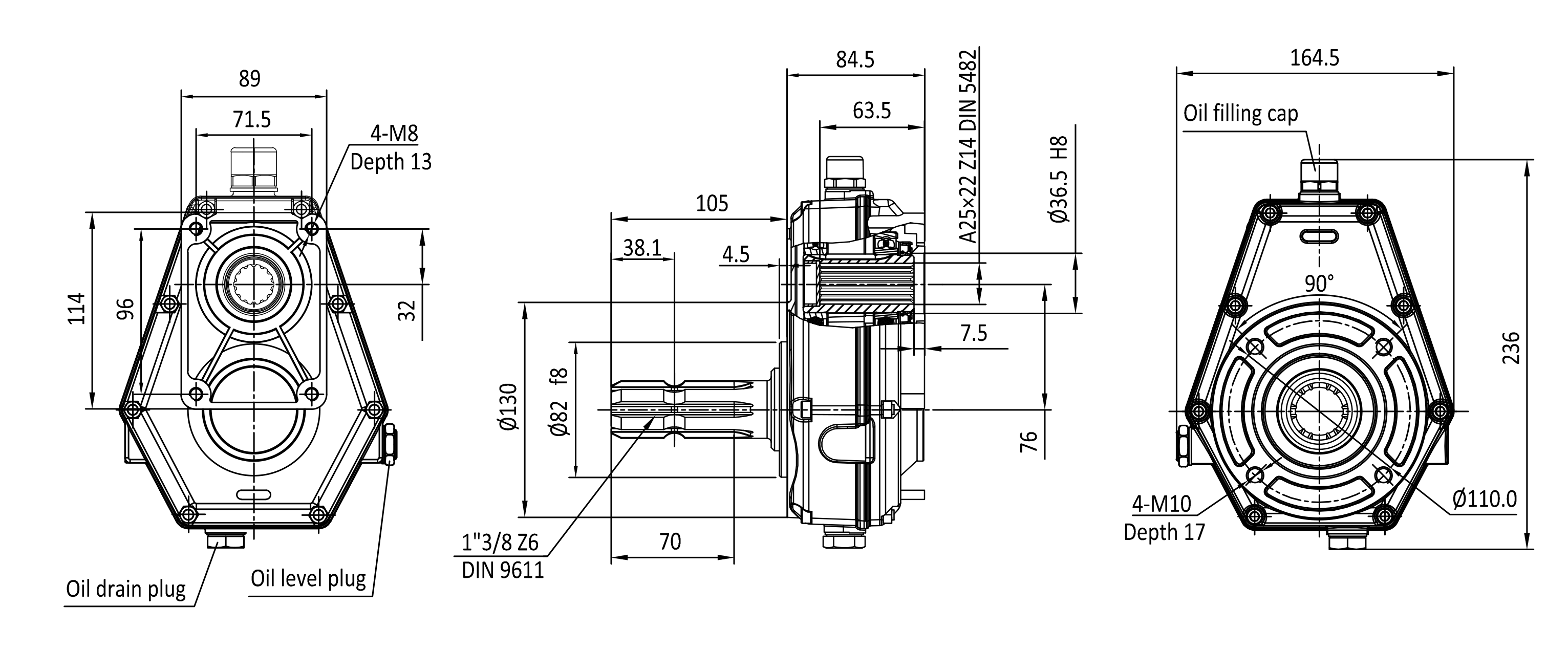
| Tilslutning: | PTO-aksel – 1" 3/8 – 6 splines (han) |
| Indgangshastighed: | 540 rpm |
| Indgangsmoment: | 15,9 daNm |
| Udgangshastighed: | 2052 rpm (max. 3000 rpm) |
| Udgangsmoment: | 4,2 daNm |
| Belastning: | op til 10 kW |
| Produktvægt: | 5,5 kg |
| Gearsmøremiddel: | SAE 90 olie |
MÅL

BRUGSANVISNING
1. Anvendelse
Gearkassen er en mekanisk transmission, der øger rotationshastigheden på udgangsakslen og muliggør drift af en hydraulisk tandhjulspumpe via traktorens PTO-akse.
Den anvendes til at drive:
- hydrauliske kraftenheder,
- skovvindere,
- trækløvere,
- andet hydraulisk udstyr.
2. Installationsposition
Gearkassen skal installeres i korrekt driftsposition for at sikre passende smøring af tandhjulene. En horisontal installation anbefales, så pumpen og gearkassen skal være justeret horisontalt.
Vigtigt:
- gearkassen skal altid installeres, så olien inde i huset er i kontakt med gearoverførslen,
- langvarig drift i en omvendt position er ikke tilladt,
- gearkassen skal mekanisk understøttes (den må ikke kun hænge i PTO-akslen).
3. Rotationsretning
Før installation, kontroller rotationsretningen for PTO-akslen og den nødvendige rotationsretning for den hydrauliske pumpe.
Forkert rotationsretning kan forårsage skade på pumpen, tætningens svigt og dårlig olieflow.
4. Olie smøring
Gearkassen skal vedvarende smøres med olie inde i huset for at sikre korrekt drift af tandhjulene. Det anbefalede smøremiddel er gearolie SAE 90.
Gearkassen skal fyldes med olie op til kontrolniveauet.
Før første brug fjernes påfyldningsprop, enheden fyldes med olie op til mærket, og proppen sættes på plads.
Før hver brug tjekkes oliestanden. Det anbefales at skifte olie første gang efter 50 driftstimer, derefter hver 1500 driftstimer eller én gang årligt.
5. Drifts temperatur
Gearkassens hus normale driftstemperatur ligger mellem 50 og 80°C. Hvis den overstiger 90°C, kontrolleres oliestanden, belastning og justering.
6. Vedligeholdelse og mulige problemer
| Problem | Mulig årsag | Løsning |
| Overophedning | Utilstrækkeligt oliestandeniveau | Tjek oliestanden |
| Støj | Slidte lejer | Service |
| Vibrationer | Forkert justering | Tjek installation |
| Olieudslip | Beskaadiget tætning | Udskift tætning |









