Produits nouveaux
ARBRE DE SCIE CIRCULAIRE EN FONTE 400MM (FILETAGE GAUCHE)
|
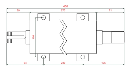
Données techniques |
|
| Diamètre de la poulie : | 90 mm |
| Fournisseur : | Pologne |
| Retour ou échange : | 14 jours |
| Taille de la courroie : | 2 × 17 mm |
| Garantie : | 6 mois |
| Filetage : | M30 × 2 Pas à gauche |
| Matériau : | Fonte, l'arbre et la poulie sont en acier |
DESCRIPTION:
Arbre compact et robuste pour scies circulaires, prêt pour une installation rapide. Fabriqué à partir d'un tube en fonte à paroi épaisse et équipé de roulements en acier 2x6207, il assure un fonctionnement fluide, une longue durée de vie et un serrage fiable de la lame de scie. Le filetage M30×2 à gauche permet un serrage sûr et répétable.
Avantages clés
-
Boîtier de roulement de haute qualité pour stabilité et durabilité
-
Arbre guidé avec précision pour un fonctionnement régulier et silencieux
-
Préparé pour transmission par double courroie trapézoïdale (2 × 17 mm)
-
Filetage M30×2 à gauche pour une fixation sûre de la lame
-
Installation et entretien faciles
Applications typiques
Scies à bûches, scies sur table pour le travail du bois, machines de construction et autres dispositifs de sciage stationnaires/portatifs.












